日日操天天操夜夜操Iwww.香蕉视频I亚洲在线成人精品I综合色爱I日韩在线免费视频I免费视频a

離子液體在纖維素納米晶體生產中的作用機制

2024-09-29 09:57:06 sh默尼 26

納米纖維素作為一種應用前景十分廣泛的生物基材料,是滿足全球可持續和環境友好型材料需求的潛在材料。納米纖維素,包括纖維素納米晶體(CNC)和纖維素納米纖維(CNF),具有高強度、高透明度、可再生性等獨特的物理化學性質,在生物醫學、電子設備等領域都有具有巨大的應用潛力。


傳統的CNC生產方法通常會使用大量無機酸,如硫酸。這種生產過程不僅對環境有害,還會產生大量的酸性廢水。因此,開發更為環保和經濟的生產技術成為了一個重要的研究課題。近年來,離子液體(ILs)和深共熔溶劑(DES)作為新型溶劑,擁有低揮發性、可調的酸堿性以及良好的化學穩定性,被認為是生產CNC的理想替代溶劑。離子液體是一類在室溫下為液態的鹽類,由有機陽離子和無機或有機陰離子組成,具有非常低的蒸氣壓和可設計調整的化學性質。DES則是通過氫鍵受體和供體之間的相互作用形成的低熔點混合物,通常由天然存在的化合物組成,具有成本低和環境友好的特點。

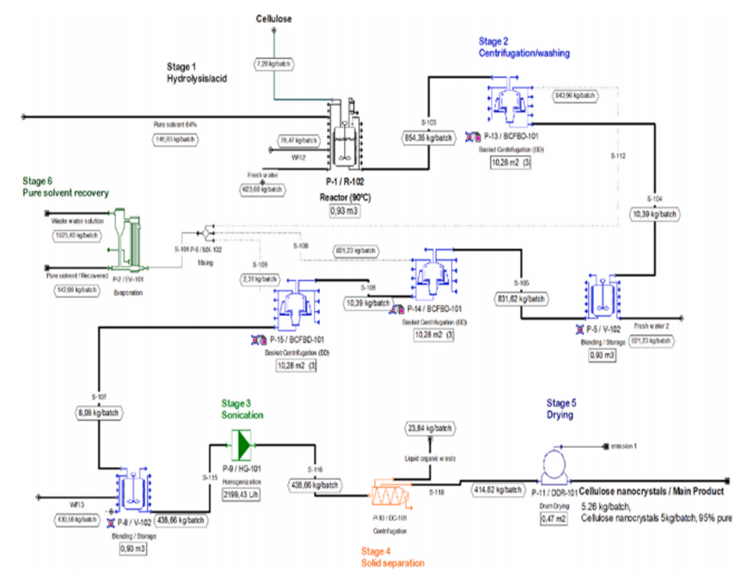
為了替纖維素納米晶體的可持續生產提供科學依據,并推動相關綠色化學和生物基材料技術的發展,智利天主教大學Paulina Pavez團隊針對三種不同的溶劑體系:可回收的離子液體稀釋體系(S1)、另一種可回收的離子液體稀釋體系(S2),以及一個不可回收的三元深共熔溶劑體系(S3)CNC產率、原料成本、環境影響等方面的性能進行對比,并對其進行技術經濟分析和生命周期評估(LCA)

640.png

默尼化工科技(上海)有限公司

致力于離子液體(ILs)研發生產、應用推廣和全球銷售,擁有自主知識產權生產技術,產品質量和一致性因此得到保障,Tel:021-38228895



標簽:   離子液體 離子液體應用 離子液體定義